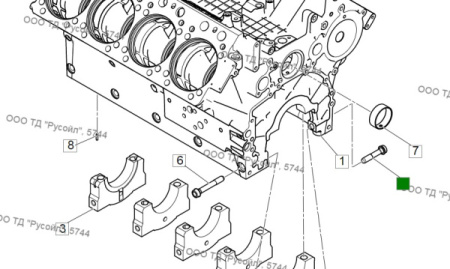
Используется для соединения различных узлов агрегатов автомобиля, представляет собой стержень с винтовой резьбой и головкой под ключ. Артикул - 740.60-1005158
Альтернативные описания - Болт М16х70 КАМАЗ крышки коленвала БЕЛЗАН Производитель: БелЗАН
Применение: Применяется для двигателя в моделях КАМАЗ-6460, КАМАЗ-5360, КАМАЗ-6520, КАМАЗ-6540, КАМАЗ-5460, КАМАЗ-43114, КАМАЗ-43118, КАМАЗ-4316, 740.30-260 (Евро 2) , 740.31-240 (Евро 2)
Для покупки товара в нашем интернет-магазине выберите понравившийся товар и добавьте его в корзину. Далее перейдите в Корзину и нажмите на «Оформить заказ» или «Быстрый заказ».
Когда оформляете быстрый заказ, напишите ФИО, телефон и e-mail. Вам перезвонит менеджер и уточнит условия заказа. По результатам разговора вам придет подтверждение оформления товара на почту или через СМС. Теперь останется только ждать доставки и радоваться новой покупке.
Оформление заказа в стандартном режиме выглядит следующим образом. Заполняете полностью форму по последовательным этапам: адрес, способ доставки, оплаты, данные о себе. Советуем в комментарии к заказу написать информацию, которая поможет курьеру вас найти. Нажмите кнопку «Оформить заказ».
Оплатить заказ Вы можете:
- Наличными при самовывозе или при доставке по факту получения заказа
- Безналичный расчет при оформлении договора поставки
- Оплата по терминалу
- Самовывоз по адресу г. Тюмень ул. Ставропольская 101
- Бесплатная доставка по территории Тюменской области, ХМАО, ЯНАО, Курганской области, Омской области осуществляется при минимальном заказе от 10 кг.
